春天飛進鼻子裏的東西這麼可怕?看一眼就渾身難受!

來源: 更新:

請做好準備,看看下面的圖:

是不是看一眼就有了“渾身刺撓”的感覺?

這些小東西就是過敏體質人的噩夢——春日裏滿天飄飛的花粉。

入春後,各種植物競相開花,有迎春、連翹、白絹梅、二月蘭等,此時便迎來了花粉季。空氣中飄散着高濃度的花粉,嚴重的時候可以像沙塵一樣把天空“染”成黃色,彷彿下起了“花粉雨”一樣。當然,花粉中大多數是好樣的,不具有致敏性,只有少數“壞份子”不斷給過敏患者製造麻煩,使得他們出行不得不全副武裝。

當這些致敏花粉被患者吸入呼吸道或與黏膜接觸,便會出現過敏反應,出現打噴嚏、流鼻涕、皮膚瘙癢紅腫、鼻咽炎、結膜炎等症狀,嚴重的會發展爲哮喘,甚至慢阻肺和肺心病。

這些致敏花粉有什麼特點?它們究竟長啥樣?接下來,讓我們一起走進春季主要致敏花粉的微觀世界,認識一下這些厲害的“小傢伙”和它們的母體植物。

迎春

連翹

白絹梅

二月蘭

紫藤

蝟實

鬱金香

牡丹

月季

春花嬌豔,但花粉可怕……

認認這些植物,“過敏人”注意避開

根據近60年以來的氣傳花粉數據(趙德鶄宇等,2021)以及我們近年來的調查,發現北京地區空氣花粉濃度的變化基本遵循雙峯型規律。花粉濃度第1個高峯期出現在春季(3–5月), 主要成分爲喬木植物花粉,如柏科、松科、楊柳科、樺木科、梣屬、懸鈴木屬等;第2個高峯期出現在夏末秋初(8–10月),主要成分爲草本植物花粉,如禾本科、藜科、蒿屬、豚草屬和葎草屬等。

春季致敏的花粉主要來源於北京城市綠化常用的鄉土樹種,例如:檜柏、側柏(柏科)、雄性白毛楊、雄性旱柳(楊柳科)、白蠟(木樨科)等。這些植物依靠風媒進行傳粉,花粉產量大、體積小、質量輕,容易飄散到空氣中。

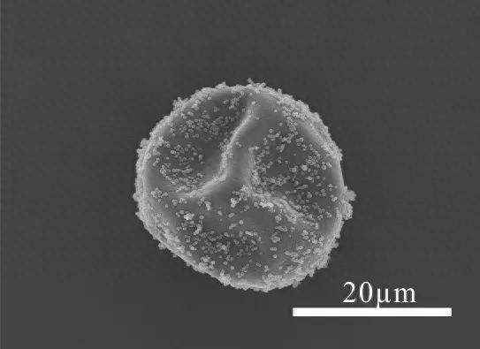
產量大和體積小的氣傳致敏花粉(圓柏)

1.圓柏Juniperus chinensis Roxb.)

隸屬柏科刺柏屬,俗名檜、檜柏、刺柏等,是北京地區節水耐旱的常綠喬木植物之一,也是北京園林綠化的骨幹樹種和鄉土植物,在國家植物園、頤和園、天壇、圓明園等重要景區多有種植。常雌雄異株,雄球花黃色,在每年4月開花授粉,由於是風媒花,會產生大量的花粉,造成一定人羣的過敏症狀。花粉球形,平均直徑約36 μm,具一個小而圓的遠極孔,外壁薄,表面具顆粒狀紋飾。

2.側柏Platycladus orientalis (L.) Franco)

隸屬柏科側柏屬,俗名扁檜、香柏、黃柏,主要在北京的公園和遠郊的山區多有栽種,能給小動物提供果實和種子等“口糧”。常綠喬木,雌雄同株,球花單生枝頂,花期3‒4月。花粉球形,平均直徑約33 μm,無萌發孔,表面具顆粒狀紋飾。

3.旱柳Salix matsudana Koidz.)

隸屬楊柳科柳屬,是綠化北京環境的主要樹種。落葉喬木,枝細長,葉披針形,花序與葉同時開放,雄花序圓柱形,花期4月。花粉長球形,平均大小約29.3 × 19.5 μm,具3溝,外壁表面具清晰的網狀紋飾,網眼較大。

4.垂柳Salix babylonica L.)

隸屬楊柳科柳屬,俗名垂絲柳,是北京園林綠化中常用的行道樹。落葉喬木,枝細長下垂,葉窄披針形或線狀披針形,花序先葉開放,雄花序有短梗,花期3‒4月。花粉長球形,平均大小約24.3 × 17.8 μm,具3溝,外壁表面具清晰的網狀紋飾,網眼大小不均勻。

5.毛白楊Populus tomentosa Carrière)

隸屬楊柳科楊屬,是我國特有的鄉土速生用材樹種,也是北京地區優良的庭園綠化或行道樹,具有生長快、壽命長、較耐乾旱和鹽鹼等特點。落葉喬木,葉寬卵形或三角狀卵形,雄花序長10‒14釐米,苞片密生長毛,花期3月。花粉近球形,平均直徑約25 μm,無萌發孔,外壁薄,表面具模糊的顆粒狀紋飾,輪廓線呈微波浪形。

6.美國紅梣Fraxinus pennsylvanica Marshall)

隸屬木樨科梣屬,俗名洋白蠟、毛白蠟,多見於庭園與行道樹。落葉喬木,羽狀複葉,圓錐花序生於去年生枝上,花密集,雄花與兩性花異株,花期4月。花粉球形,具4‒5個萌發溝,外壁表面具網狀紋飾。

7.胡桃Juglans regia L.)

隸屬胡桃科胡桃屬,俗名核桃,在北京山區、平原均有分佈,是常見的綠化樹種。落葉喬木,複葉,小葉橢圓狀卵形或長橢圓形,雄葇荑花序下垂,花期4‒5月。花粉扁球形,個體較大,平均直徑約45 μm以上,具散孔,孔分佈不均勻,孔數9‒15個,外壁表面具顆粒狀紋飾。

8.油松Pinus tabuliformis Carrière)

隸屬松科松屬,在北京各大公園常見。常綠喬木,葉二針一束,樹皮灰褐色,雄球花圓柱形,聚生成穗狀,花期4‒5月。花粉具兩個發達而顯著的氣囊,本體呈橢圓形至近圓形,平均體長約57 μm,體高約38 μm,具有明顯的帽緣及帽上的顆粒狀紋飾,氣囊分列於花粉粒的兩側。

9. 榆Ulmus pumila L.)

隸屬榆科榆屬,俗名白榆、家榆、榆樹,是北京城市綠化、行道樹、營造防護林的重要樹種,具有生長快、適應性強、耐乾冷氣候及中度鹽鹼。落葉喬木,葉橢圓狀卵形、長卵形、橢圓狀或卵狀披針形,花在去年生枝葉腋成簇生狀,翅果近圓形,花果期3‒6月。花粉扁球形,平均直徑約33 μm,具5個萌發孔,外壁表面具腦紋狀紋飾,輪廓線呈波浪形。

10. 白樺Betula platyphylla Sukaczev)

隸屬於樺木科樺木屬,俗名鐵皮樺。在北京是山區最常見的樹種之一,包括西部的百花山、東靈山以及北部懷柔區的喇叭溝門均有天然分佈,喜光,不耐蔭,耐嚴寒。落葉喬木,樹幹修直,樹皮灰白色,紙狀分層剝離,葉三角狀卵形或三角形,花單性,雌雄同株,葇荑花序,花期5‒6月。花粉扁球形,平均直徑約26 μm,具3個萌發孔,外壁表面具顆粒狀紋飾。

這麼多人春季花粉過敏,怎麼辦?

近年來,花粉過敏人數持續增多,過敏症的表現往往也因人而異,這既與全球氣候變化、人類活動加劇導致的城市化進程加快和環境改變等因素有關,也與患者個人體質改變等因素有關。

有效應對花粉過敏建議從園林綠化部門和患者自身兩個方面入手:

一是園林綠化部門在樹種選擇遵從“鄉土、長壽、抗逆、食源、美觀”的總體原則前提下,應當以人爲本,科學佈局,在人羣密集活動區的綠地及各類公園中不使用或最大限度減少易致敏植物,可以多種花粉產量較低(如蟲媒植物)或花粉過敏風險極低的植物。

對於像圓柏等花粉飄散情況嚴重的,應當及時採取生物學措施進行干預,通過修剪花枝、人工灑水噴淋增溼、注射抑制劑等措施,減少花粉在空氣中的飄散,如果無法通過修剪等方式減少花粉飄散的過敏源植物,應更換爲適宜樹種。

二是患者在花粉季時應注意有關部門發佈的花粉濃度預警,可以採取的措施包括:外出戴口罩/護目鏡做好防護,儘量少接觸過敏原,必要時遵醫囑服用抗過敏藥等。

Ps:五一假期有出行計劃的朋友,記得做好花粉防護,祝大家擁有愉快的假日!

致謝:文中部分花粉電鏡圖片(側柏、垂柳、毛白楊和美國紅梣)由中國科學院植物研究所李金鋒博士提供,在此表示感謝!

本文其他植物照片和花粉照片均爲作者拍攝。


參考文獻

[1]趙德鶄宇, 葉彩華, 王宇飛, 姚軼鋒. 2021. 京津冀地區氣傳花粉數據分析. 植物學報, 56(6): 751-760.

[2]李金鋒, 姚軼鋒,謝淦,李敏,宣晶,孫斌,李素萍,徐景先,David Kay Ferguson, 王宇飛等著. 2021. 北京常見植物花粉圖鑑. 湖北科學技術出版社.

[3]姚軼鋒, 李金鋒, 謝淦, 王霞, 陸麗麗, 汪強,趙德鶄宇, 王宇飛等譯. 2021. 圖解花粉術語. 湖北科學技術出版社.


作者:姚軼鋒

作者單位:中國科學院植物研究所

相關推薦
請使用下列任何一種瀏覽器瀏覽以達至最佳的用戶體驗:Google Chrome、Mozilla Firefox、Microsoft Edge 或 Safari。為避免使用網頁時發生問題,請確保你的網頁瀏覽器已更新至最新版本。
Scroll to Top