你有沒有想過,爲什麼牀底下的灰塵總是聚成“毛團”?

來源: 更新:

你一定在牀底下發現過它們:

它們不是亂七八糟散落的沙礫,而是糾纏在一起、蓬鬆且略帶灰色的團塊。在英語裏,人們給它起了一個聽起來莫名可愛的名字:“Dust Bunny”(塵兔)。

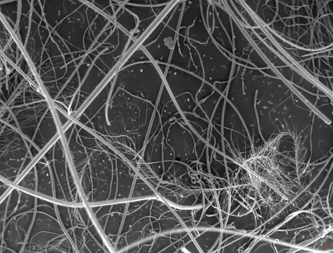
名字可愛,成分一點不可愛。它的核心成分是你的皮屑毛髮、你的牀單纖維、以及數以百萬計的蟎蟲排泄物。在 40 倍放大鏡下,可以看到一團亂七八糟的物質,乍一看非常像是一個長了嚴重頭皮屑的馬蜂窩[1]:

所以,這一團毛球怎麼絮在一起的?

首先你得知道,你就是它的主要製造商。

一個成年人每天大約脫落0.5到1克皮膚角質細胞 。這些微小的皮屑在氣流中飄蕩,最終受重力牽引沉降。牀鋪是你每天停留時間最長的地方,因此牀底不僅是睡眠的港灣,也是皮屑的亂葬崗。

但這還不足以形成團塊。如果沒有粘合劑,灰塵只會均勻地鋪在地板上,像一層薄薄的霜。讓它們聚集成團的“膠水”,源自一種看不見的生態系統。1981年,《自然》雜誌發表的一項研究指出[2],屋塵蟎的排泄物,那些直徑約20微米的微小顆粒,被一層富含粘性蛋白的粘液包裹 。

當這些具有吸溼性的糞便顆粒落入纖維網中,它們就扮演了水泥的角色,將鬆散的皮屑、頭髮和棉絮粘結在一起。核磁共振光譜分析曾對“塵兔”進行過分析,結果顯示其光譜特徵與烘乾機裏的線頭高度一致,同時混合了大量生物蛋白 。

爲什麼它們偏偏喜歡牀底?

這涉及到室內流體力學中的“停滯點”(Stagnation Point)[3]概念 。

當你在房間裏走動,或者空調吹風時,空氣在流經地板時會形成邊界層。牀體作爲一個巨大的障礙物[4][5],迫使氣流分離。在牀底深處,空氣流動速度急劇下降,形成了一個流速幾乎爲零的死水區。

根據流體力學原理,流速降低導致空氣攜帶顆粒的能力喪失,懸浮的灰塵便在此處發生“斯托克斯沉降[6]”,像雨點一樣落下。

並且,你睡覺時散發的體熱(75-100瓦特)會加熱牀墊上方的空氣,形成熱羽流(Thermal Plume)[7] 。

這股上升的熱氣流會在牀面造成局部低壓,從而像吸塵器一樣,源源不斷地把地面冷空氣層中的灰塵抽吸進牀底。一旦進入這個停滯區,灰塵就再也出不去了[8]。

如果只是堆積,灰塵也就是一堆散沙。讓它們變成毛茸茸團塊的,是靜電和一種被稱爲“分形生長”的機制[9]。

這正是天體物理學家感興趣的地方。在行星形成的理論中,有一個被稱爲“彈跳壁壘”(Bouncing Barrier)的難題[10]:在原行星盤中,微米級的宇宙塵埃可以互相粘連,但當它們長到毫米級時,彼此碰撞就會像檯球一樣彈開,無法繼續變大 。

2007年,IEEE發表的一篇關於“宇宙塵兔”(Cosmic Dust Bunnies)的研究論文[11],揭示了其中的奧祕 。

科學家在微重力實驗中發現,塵埃顆粒在碰撞中會產生摩擦電荷。下圖中,當在微小玻璃珠微重力艙中被搖晃和拋擲時,它們會通過強靜電荷聚集在一起。

這種靜電力非常強大,足以克服顆粒間的彈跳,將它們強行拉在一起,形成蓬鬆、多孔的分形結構。

你牀底下的灰塵團,實際上是在重現46億年前太陽系行星誕生的初始過程。下圖這張根據哈勃空間望遠鏡獲取的數據製作的圖像,揭示了NGC 1316的塵埃帶和星團……

頭髮和長纖維充當了骨架,帶正電的皮毛與帶負電的合成纖維(如聚酯)相互吸引,像滾雪球一樣掃蕩沿途的微粒。這種結構極其蓬鬆,孔隙率極高,像是一個個微型的過濾網,進一步捕獲空氣中的懸浮物。

1994年,科學家Kindratenko甚至在研究氣溶膠時發現,這些不規則的聚集體在顯微鏡下呈現出一種複雜的幾何形狀,他幽默地將其命名爲“分形兔子”(Fractal Rabbits) [12] ,因爲它們總是突然出現在數據模型中,就像變魔術一樣。

雖然“塵兔”這個名字聽起來人畜無害,但在特定環境下,它是致命的。

最著名的案例發生在1987年11月18日。英國倫敦國王十字地鐵站(King''s Cross)的一部木質自動扶梯下發生了火災,最終導致31人死亡 [13] 。

隨後的調查發現,長期以來,扶梯底部的運行軌道上積累了大量的“油脂、灰塵和纖維絨毛”(Grease, dust and fluff) [14] 。這些混合物形成了極易燃的燃料層。當一根未熄滅的火柴掉進扶梯縫隙後,並沒有直接熄滅,而是引燃了這層“毛氈”。

更可怕的是,調查人員發現了一種此前未知的“溝槽效應”(Trench Effect)。火焰並沒有向上燃燒,而是緊貼着扶梯的30度斜坡,像噴火器一樣高速噴射,瞬間吞噬了整個售票大廳。那層不起眼的、由灰塵和纖維組成的“毛團”,是這場災難最初的助燃劑。

在精密設備領域,灰塵團同樣是噩夢。2014年,關於美國國家點火裝置(NIF)的一份報告中提到,在其巨大的激光放大器內部,甚至也發現了“塵兔凝結物”(dust bunny condensate)。這些微小的污染物會吸收高能閃光燈的能量,瞬間變成微型等離子體,並在昂貴的激光玻璃上炸出比自身面積大50倍的彈坑[15]。

回到牀底下那坨小毛絮,雖然美國人叫它“塵兔”,但在德國,它被稱爲“Wollmäuse”(羊毛老鼠);在法國,它是“moutons”(綿羊);而在匈牙利,人們管它叫“porcica”,意思是“灰塵小貓” 。

不過,如果你不想在牀底下養這些“寵物”,物理學不會建議你用掃帚。

因爲掃帚的清掃動作會打破灰塵團脆弱的靜電平衡和機械糾纏,讓裏面的致敏顆粒重新懸浮到空氣中。對付它們,你唯一可靠的工具是帶有HEPA過濾網的吸塵器。

或者,乾脆別趴到牀底下去看,畢竟眼不見爲淨,也是一種生活智慧。

參考文獻

[1]https://amichaelcollins.com/blog/what-are-dust-bunnies-and-made-of-and-where-did-they-come-from

[2]https://www.nature.com/articles/289592a0

[3]https://en.wikipedia.org/wiki/Stagnation_point

[4]https://www.scribd.com/document/556931115/Thermal-Tracking

[5]https://www.researchgate.net/publication/259453577_Wind_tunnel_study_and_numerical_simulation_of_dust_particle_resuspension_from_indoor_surfaces_in_turbulent_flows

[6]對於直徑小於10微米的顆粒(如PM2.5或細小的皮屑碎片),沉降速度極小,通常小於室內氣流的垂直分量。這意味着這些顆粒在開放空間中幾乎也是永久懸浮的,隨氣流運動。然而,對於較大的顆粒(如蟎蟲糞便顆粒~20微米,或纖維團簇),沉降速度顯著增加。當氣流速度低於其懸浮閾值時,沉降即刻發生。

[7]https://www.researchgate.net/figure/Temperature-fields-under-the-recommended-supply-air-velocity-of-the-three-scenarios_fig4_276528878

[8]https://www.mdpi.com/2073-4433/14/4/612

[9]https://www.researchgate.net/figure/Schematic-picture-illustrating-the-growth-from-dust-to-planetesimal-sizes-Dust-of_fig1_395943908

[10]https://www.nature.com/articles/s41567-019-0728-9

[11]https://ieeexplore.ieee.org/document/4154884/

[12]https://onlinelibrary.wiley.com/doi/abs/10.1002/ppsc.19940110603

[13]https://www.fbu.org.uk/history/kings-cross-underground-fire

[14]https://www.theisrm.org/documents/Fennel%20(1988)%20Investigation%20Intointo%20the%20Kings%20Cross%20Fire.pdf

[15]https://www.google.com/search?newwindow=1&sca_esv=31d3cabc157c1d09&sxsrf=ANbL-n5oOZw6HpmJstxXTab76cfBZRvwqg:1768064721452&q=nif+dust+bunny+condensate+2014&source=lnms&fbs=ADc_l-Z6XGGbkKmpylZqg2J7ZOuVNvV7jKtLqzLZ63dd2zPtrlrkSDkQE0bh2n9b50yhQrnA7ecYmIRaq75SSWRhKWZ4ulKrYSJVQteebUIad0trCCx95EwkOQXefKVFhdUNFamBaZNhjg_P8FrdP4aYE4jOD3KZszKt8NDrIG5sa1i8oINwbEj0Soo9rV4gW_guernVlyOG&sa=X&ved=2ahUKEwit3aWtuoGSAxV9LUQIHQKLCmQQ0pQJegQIDxAB&biw=1512&bih=767&dpr=2&aic=0

本文經授權轉載自動物行星ID:AnimalOnEarth),如需二次轉載請聯繫原作者。歡迎轉發到朋友圈。

點個“小愛心”吧

相關推薦
請使用下列任何一種瀏覽器瀏覽以達至最佳的用戶體驗:Google Chrome、Mozilla Firefox、Microsoft Edge 或 Safari。為避免使用網頁時發生問題,請確保你的網頁瀏覽器已更新至最新版本。
Scroll to Top