讓眼睛越來越廢的小東西,竟被當作護眼神藥亂用!

來源: 更新:

最近,你是不是也經常刷到這樣的畫面?

有人熟練地拿起一個小杯子,倒滿清澈的液體,然後俯身將它扣在眼睛上,仰頭、眨眼,完成一次看似專業的眼部清潔。

於是乎評論區裏求鏈接、眼睛瞬間清爽了的呼聲此起彼伏。

沒錯!洗眼液,正悄然變身爲備受追捧的日常護眼神器。

許多人相信,每天用它洗一洗,就能洗去疲憊、洗掉紅血絲,甚至洗出 bling bling 大眼睛。

圖源:左淘寶商品評價,右小紅書

本着較真的態度,我們諮詢了幾位眼科專家,結果發現:

你以爲洗眼液能護眼,其實頻繁用它,反而對眼睛很不好。

甚至眼科專家直言:如今診室裏多了一類“越護眼越難受”的年輕人。

他們長期依賴洗眼液,結果眼睛反而變得更幹、更敏感。

❌洗眼液風險一

破壞眼睛的自清潔功能

眼睛本身有一套保溼、清潔系統,這主要歸功於淚膜。

當細菌、灰塵、睫毛、眼妝殘留、分泌物等異物落在眼表時,就會刺激淚腺分泌淚液。[1]

淚液帶着異物往內眼角方向走,連接鼻腔,讓淚液和異物被吞進胃裏。

這一套動作行雲流水,真的不用洗眼液插一腳。浪費錢不說,還可能把好好的一雙眼睛,洗出毛病。

如果眼睛實在不舒服,醫生常用的是生理鹽水或人工淚液,而非洗眼液。

洗眼液屬於普通的化妝品,並不是藥物。

有大量研究指出,頻繁使用洗眼液可能刺激眼表、擾亂淚膜穩態,誘發或者加重乾澀、異物感等症狀。 [2][3][4]

這些風險主要針對“大容量沖洗的市售洗眼液”,而非臨牀上使用的人工淚液[1, 6, 8]。

那可能有人會問:我用洗眼液也能洗出來髒東西呀,洗完還感覺特別清爽!

這是一種錯覺!你看到的所謂的洗出來的白色絮狀物,很大一部分是眼表的珍貴的黏層液和油脂層。

這些成分本來是保護眼睛的“盾牌”,結果被洗眼液產生的去垢效應(Detergent-like effect)像清潔劑一樣剝離掉[4],導致淚水蒸發更快了。

原本淚液裏自帶的溶菌酶和乳鐵蛋白等,也會被洗眼液沖淡,從而讓眼睛處於暫時的免疫真空狀態,並引發代償性的淚液分泌異常[3]。

當這種清洗變成日常護理,眼睛隔三差五被刺激,淚膜的穩態被打亂,更加頻繁地出現乾澀、異物感。

❌洗眼液風險二

引起或加重乾眼症

市售洗眼液往往按各企業標準管理,不強制要求像藥字號產品那樣標註全成分,非治療產品。

市場上銷售的大瓶裝洗眼液,爲了防止變質,保證使用週期而添加了防腐劑,最常見的就是苯扎氯銨(BAK)。

雖然防腐劑在眼用製劑中是被允許且廣泛使用的,但其種類、濃度有嚴格藥典標準。

苯扎氯銨是一種表面活性劑,會溶解角膜細胞的細胞膜[2, 17],讓原本光滑的眼表變得坑坑窪窪。

對於長期、高頻次使用的產品,需要注意累積損傷風險。

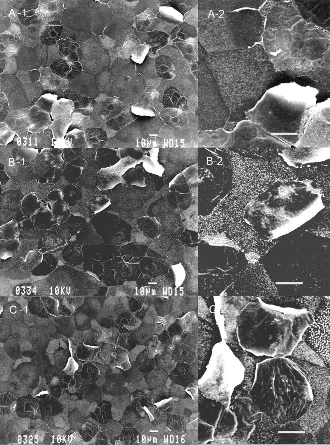
苯扎氯銨(BAK)對角膜上皮細胞造成損傷的掃描電子顯微鏡(SEM)圖像

最上(對照組/正常):展示的是健康的角膜上皮。

中圖(初步受損):接觸低濃度苯扎氯銨後,原本平整的表面開始變得不再規則。

下圖(嚴重受損):接觸高濃度或長期使用後,細胞膜被大面積破壞。

更糟的是,它會引發乾眼惡性循環:

這種防腐劑會觸發眼表炎症[5, 9],並減少保溼黏蛋白的分泌[6],使眼睛鎖水能力下降,最終可能導致“黏蛋白缺乏型乾眼症”[6, 14]。

臨牀研究證實:乾眼患者使用市售洗眼液後,眼表損傷評分反而升高,陷入“短期舒服 → 長期加重”的怪圈[7, 9]。

❌洗眼液風險三

耽誤眼部疾病的治療

很多人在眼睛出現紅血絲、酸脹幹癢時,習慣用洗眼液緩解。但可能不知道它

⚠️治標不治本!

⚠️掩蓋真實病情!

掩蓋疾病信號

有些洗眼液的抗炎成分雖能暫時緩解癢和紅,卻可能掩蓋“過敏性結膜炎”或細菌感染的早期症狀,延誤治療時機[10]。

成分可能傷眼

含薄荷醇的清涼款洗眼液,可能讓青光眼患者錯過干預窗口,造成不可逆損傷[11],還可能會延緩角膜癒合,引起繼發感染[13]。

影響原有眼藥療效

如果正在使用其他眼藥水,洗眼液會稀釋藥物濃度、縮短藥效,導致慢性眼病控制不佳[12]。

眼睛的不適信號是在提醒我們,可能是疲勞、過敏或感染,及時就醫纔是根本。別讓一時的清涼舒適假象,耽誤了真正的治療!

眼乾眼疲勞異物感

到底該怎麼辦?

如果眼睛持續有紅血絲,或者乾眼很嚴重,甚至出現了疼痛、流淚不止的症狀,這時候要做的是找醫生!找醫生!找醫生!

如果只是偶爾眼睛不舒服,千萬別揉,也別讓人幫忙吹。

我們整理了一些溫和有效的方法,收藏起來,應急的時候可以用到:

家裏養貓、化眼妝,偶爾眼睛進異物

✅ 正確做法:用人工淚液衝

● 家裏可以常備單支裝的不含防腐劑的人工淚液。

● 側過頭,扒開上下眼皮,懸空滴入大量藥水,讓液體從內眼角流向外眼角。

● 如果家裏沒有人工淚液,也可以用清水或生理鹽水沖洗。

鼻炎、過敏,眼睛奇癢無比

✅ 正確做法:人工淚液沖洗 + 冰敷

● 先用人工淚液沖洗,把眼表的過敏原沖走。

● 冰敷眼睛,物理降溫是最好的止癢劑,能收縮血管、降低神經敏感度。

● 如果一直無法緩解,也可以在醫生的指導下,使用抗過敏的滴眼液。

眼乾、眼疲勞、眼屎

✅ 正確做法:休息 + 熱敷 + 瞼緣清潔

● 看 20 分鐘電腦,看 20 英尺(6 米)以外的物體,保持 20 秒。

● 每天熱敷兩次,每次 10 分鐘左右,可以用重複加熱的眼罩或者一次性蒸汽眼罩,可以促使瞼板腺釋放油脂,讓眼睛不容易幹。

● 用棉籤蘸溫水,輕輕擦拭上下眼皮的睫毛根部和內眼角。注意不要讓棉籤觸碰到眼球。

● 清潔後如果覺得乾澀,可以用人工淚液補充一下。

我們一生只有一雙眼睛,千萬不要用它冒險。

轉發給身邊的姐妹,一起保護好眼睛,也要保護好錢包。

參考文獻

[1] Wang, Y., & Gao, Z. (2010). Effects of commercial eye drops and eye lotions on the stability of the tear film and ocular surface health in healthy volunteers. Chinese Journal of Ophthalmology, 46(10), 892-896.

[2] Baudouin, C., et al. (2010). Preservatives in eyedrops: the good, the bad and the ugly. Progress in Retinal and Eye Research, 29(4), 312-334.

[3] Yokoi, N., & Kinoshita, S. (1995). Effect of eye-wash on the ocular surface. Nippon Ganka Gakkai Zasshi, 99(11), 1273-1278.

[4] Pucker, A. D., & Nichols, J. J. (2012). Analysis of tear film lipids: structure-function relationships, and implications in dry eye disease. The Ocular Surface, 10(1), 7-20.

[5] Epstein, S. P., et al. (2009). Evaluation of corneal epithelial barrier function after exposure to benzalkonium chloride-preserved eye drops. Cornea, 28(8), 901-910.

[6] Wada, S., et al. (2007). Effects of commercial eye-washes on the ocular surface. Nippon Ganka Gakkai Zasshi, 111(4), 305-310.

[7] Shimazaki, J., et al. (2005). Comparison of the effects of sterile saline and commercial eye lotions on the tear film of patients with dry eye. Ophthalmic Research, 37(2), 65-71.

[8] Inoue, K., et al. (2012). The impact of eyewash on the lipid layer of the tear film in healthy subjects. The Journal of Japanese Ophthalmology, 116(1), 22-27.

[9] Chen, L., et al. (2018). Inflammatory cytokine levels in the tears of frequent eyewash users. International Journal of Ophthalmology, 11(5), 784-789.

[10] Ono, K., et al. (2012). Clinical effects and adverse events of over-the-counter eye washes in patients with ocular surface diseases. Journal of the Eye, 29(5), 681-686.

[11] Aihara, M. (2015). Risk of delaying professional diagnosis in glaucoma patients using self-medication with OTC eyewashes. Nippon Ganka Gakkai Zasshi, 119(4), 253-259.

[12] Mishima, S. (1981). Clinical pharmacokinetics of the eye. Investigative Ophthalmology & Visual Science, 21(4), 504-541.

[13] Gomes, J. A., et al. (2004). TFOS analysis of the effect of preservatives and additives on corneal epithelial wound healing. The Ocular Surface, 2(4), 271-286.

[14] Craig JP, et al. (2017). TFOS DEWS II: Definition and Classification Report. The Ocular Surface.

[15] Inomata T, et al. (2025). Profiling eyewash usage and preferences... (AllerSearch). Scientific Reports.

[16] Yazu H, et al. (2019). Effect of long-term use of an eyewash solution (nonpreserved)... Int. J. Mol. Sci.

[17] Goldstein MH, et al. (2022). Ocular benzalkonium chloride exposure: problems and solutions. Eye.

合作專家 鄭亞潔 北京大學醫學博士 眼科副主任醫師

合作專家 金鑫 壽陽近視斜弱視防控研究所所長

內容策劃 橙月

監製 Feidi

圖片 見圖注

本文經授權轉載自 丁香生活研究ID:huanqiukexue),如需二次轉載請聯繫原作者。歡迎轉發到朋友圈。

Guokr

龍之涵新年換新衣・全家撿漏專場直播來啦!

新年換新衣,一個品牌全家搞定。成年人也可以花更少的錢,買到A類好面料。

龍之涵是果殼連賣5年的信得過品牌。新年紅的外套、時尚又舒服的打底衫、軟糯的居家服,一條過冬的傘兵褲。全場29.9元起,關鍵是,搞定全家新裝只要百元,還有新年春裝可以搶,想不想來試試,預約直播,新氣象過新年!

相關推薦
請使用下列任何一種瀏覽器瀏覽以達至最佳的用戶體驗:Google Chrome、Mozilla Firefox、Microsoft Edge 或 Safari。為避免使用網頁時發生問題,請確保你的網頁瀏覽器已更新至最新版本。
Scroll to Top